-Рубрики

 -Поиск по дневнику

Поиск сообщений в BlackIce

 -Подписка по e-mail

 

 -Статистика

Статистика LiveInternet.ru: показано количество хитов и посетителей
Создан: 04.06.2004
Записей:
Комментариев:
Написано: 20143




В общественном туалете потные холодные стены, покрытые частично обвалившимся кафелем. Забитые говном унитазы на которые влезают ногами, чтобы не испачкать чистую белую жопу. Hа заблеванном цементном полу тут и там валяются ломтики жареной ветчины, их давят башмаками и ладонями. Воздух белый, густой. У окна стоит группа людей, они курят, сморкаються и плюються. Hа подоконнике молодая мамаша пеленает свое дитя, сплошь покрытое коричневой сыпью. Hа окне, замазанном зеленой краской, твердые, блестящие решетки. В углу, левее унитазов, на ржавой трубе висит очередной повешенный, от него пахнет. Сбоку надпись кирпичем "Полный пиздец!". Миф: (c) Егор Летов. Punk-on-line. Главный ресурс панков! Ubuntu: For Desktops, Servers, Netbooks and in the cloud Get wired at pinouts.ru - распиновки коннекторов, кабелей, адаптеров Игры для Linux

Functional Airspace Blocks (FAB)

Понедельник, 03 Января 2011 г. 07:36 + в цитатник

 

3-01-2011, in FAB News, by steve

FABs may be the highest political priority for the European Commission and they certainly are the source of high flying political statements, but I still do not like them. Why? Well, the idea when it first came up was a good one. At the time, functional fragmentation of air traffic management in Europe was costing airspace users billions and in spite of all the projects being considered, there was little hope for structural reform.

In order to break the logjam, and fully aware that there was no hope for getting the whole of Europe to co-operate and create a single sky, the EC very pragmatically proposed that groups of States get together and create functional airspace blocks (FAB) along the lines of their ATM “interests”, optimizing and aligning procedures and services inside their FAB… This way, the argument went, at least there would be a single sky of sorts inside the FAB and later on the FABs themselves could be harmonized for a truly single European sky.

Pragmatic and logical as the idea may have been, it was not received by the ANSPs with open arms.

 

Delay followed delay and it was only when the EC brought all her regulatory might to bear that things started to move. Of course, this being Europe, the number of FABs grew like mushrooms and we ended up with an arrangement that in many places is painfully similar to the old FIR boundaries… That the designers of the FABs could not even agree where Central Europe was is shown by the surprising fact that there is a FAB Central Europe and a FAB Europe Central… explain that to a visitor from China.

Other than that, a few truly worrying developments are also becoming apparent. Centralized European flow management is being inexorably replaced by a concept of managing flows on the FAB level by the FABs themselves and relegating EUROCONTROL to managing the network… these are other words for a toothless tiger. Real power to do things is concentrated inside the FABs. Some of us will still remember how flow control was being done in the 70s. Exactly like this…

Another issue concerns the fundamental incompatibility between the SESAR Concept of Operations and the FAB concept. SESAR is a trajectory based concept, the FAB is a legacy, airspace based, approach. Had the FABs been established when they were first proposed, they would have provided a good basis for transition to the infinitely more advanced SESAR TBO (trajectory based operations). With all the delays caused by initial obfuscation, there is now a head-on collision between the two concepts. From the SESAR TBO perspective, the FABs represent the kind of airspace fragmentation they were supposed to eliminate. Politically charged as they are, SESAR will have a hard time getting rid of this baby that is arriving too late on the scene.

Having said this, of course even FABs will bring improvements and if handled properly, their transition (and disappearance…) under the TBO concept should be possible to achieve.

Recognizing that in spite of their shortcomings FABs will represent an exciting area of ATM developments for a long time to come, we have decided to write about them in the future with more regularity than we did in the past. Like always, your own views on and experience with the FAB concept and implementation will be very welcome.

http://www.roger-wilco.net/functional-airspace-blocks-fab-%E2%80%93-new-category-on-roger-wilco/?utm_source=feedburner&utm_medium=feed&utm_campaign=Feed:+rog-wilco+(Roger-Wilco)


Без заголовка

Суббота, 01 Января 2011 г. 12:51 + в цитатник
Выходиь с похмелья под Гражданскую оборону это что-то скажу я вам.

Без заголовка

Суббота, 01 Января 2011 г. 11:32 + в цитатник
С новым великим похмельем вас!

.

Пятница, 31 Декабря 2010 г. 22:24 + в цитатник
.
Прослушать запись Скачать файл

2011

Пятница, 31 Декабря 2010 г. 22:10 + в цитатник
Ну и типа с новым годом.
 (486x699, 89Kb)



Процитировано 2 раз

.

Пятница, 31 Декабря 2010 г. 22:07 + в цитатник
.
 (604x441, 89Kb)

Горбатый ниндзя-Подруга

Пятница, 31 Декабря 2010 г. 21:21 + в цитатник
Горбатый ниндзя-Подруга
Прослушать запись Скачать файл

Без заголовка

Пятница, 31 Декабря 2010 г. 18:58 + в цитатник
Добрый дедушка мороз, прошу тебя подари мне РПК и 100 ящиков патронов к нему. Я тебе обещаю, на следующий новый год тебе прийдётся тратиться намного меньше. IDDQD IDKFA

Без заголовка

Среда, 22 Декабря 2010 г. 20:23 + в цитатник
Скайп в дауне и програма и сайт, интересно с чего бы

Без заголовка

Понедельник, 20 Декабря 2010 г. 21:58 + в цитатник
Блюз - это когда хорошему человеку плохо
Треш - это когда хорошему человеку хочется всех убить....
Просто металл - когда хорошему человеку хочется не убить, но крайне покалечить изрядное количество пипла....
Блэк и дэфф металл - это когда хорошему человеку хочется всех изнасиловать, убить, еще раз изнасиловать, а после выгрызть их еще теплое сердце...
Дум металл - это когда хорошему человеку хочется повести всех за собой к обрыву, а после покаятся...
Пауэр металл - это когда хорошему человеку необходима хорошая спортивная машина или спортбайк и пустая ночная трасса...
Глэм - рок - это когда хорошему человеку хочется просто повыебываться...
Рок-баллады - это когда у человека несчастная лубофф
Готика - это когда хорошему человеку хочется убить себя...
Готик-рок - это когда хорошему человеку хочется убить себя, но лень или жалко...
Пинк Флойд - это когда хорошему человеку хочется убить себя апстену...
Тито и Тарантула - это когда хорошему человеку хочется залицо текилой по самые гланды и танцевать стриптиз на столе с воображаемой змеей...
Всяка хрень типо Эры и Энигмы - это когда хорошему человеку хочется красиво потрахаться...
Мерилин Менсон - это когда хорошему человеку хочется жестоко поебаться...
Попса - это когда хороший человек уже так нажралсо, что ему пох...
Сектор газа, ГрОб и Ленинград - когда хорошему человеку было пох итак, но он все равно нажралсо...
Шансон - это когда хороший человек просто попал...не туда...
Панк - это когда хорошему человеку хочется достать с антресоли потертую косуху, навесить цепей и пойти на Арбат вспомнить молодость...
Хип-хоп - это когда хорошему человеку откровенно положить на все и сразу...
Грандж - это когда хорошему человеку хочется много норкотекоф...
Транс - это когда норкотеки у человека уже есть...
Бах/Шопен/Альбинони - это когда хороший человек уже умер....
Рэп - это когда плохому человеку хорошо.



Процитировано 2 раз

Матховарское!

Понедельник, 20 Декабря 2010 г. 21:33 + в цитатник
Поможите люди добрые!
Люди, случаем ни у кого не валяется совершенно ненужный старый видеомагниофон, который не жалко выпотрошить? С убитой механикой, или головкой пофигу, главное чтоб плата рабочая была, а то у меня тут одна мысля возникла насчет транскодирования, хочу поэкспериментировать.

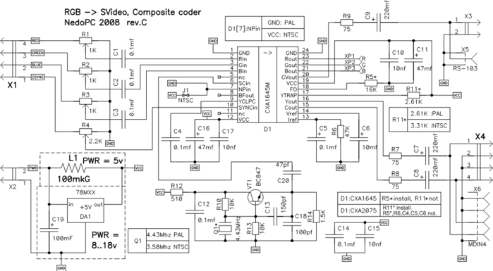
VGA(RGB) to composite video (PAL or NTSC) converter

Суббота, 18 Декабря 2010 г. 23:30 + в цитатник
coderCsch (699x385, 48 Kb)


full-sch (699x494, 41 Kb)


vga2palntsc_hires (698x331, 35 Kb)


Вложение: 3840214_ad724eb.pdf


Метки:  

VGA(RGB) to composite video (PAL or NTSC) converter

Суббота, 18 Декабря 2010 г. 23:20 + в цитатник

Вложение: 3840212_ad724eb.pdf


VGA to composite coverter (PAL, NTSC)

Суббота, 18 Декабря 2010 г. 23:08 + в цитатник

 (698x331, 35Kb)

VGA to composite coverter (PAL, NTSC)

Суббота, 18 Декабря 2010 г. 23:06 + в цитатник

 (699x385, 48Kb)

Circuit for converting spearate sync signals to SYNC-in-GREEN

Суббота, 18 Декабря 2010 г. 22:59 + в цитатник
I found this circuit from news and added this circuit to my WWW page because I got many request for this kind of information. I have not tested this circuit and I provide it here as it is.

Path: nntp.hut.fi!news.funet.fi!sunic!sunic.sunet.se!seunet!news2.swip.net!plug.
news.pipex.net!pipex!oleane!jussieu.fr!univ-lyon1.fr!swidir.switch.ch!newsfeed.A
CO.net!news.tuwien.ac.at!launzatte.cg.tuwien.ac.at!pst
From: pst@cg.tuwien.ac.at (Peter Stieglecker)
Newsgroups: comp.sys.ibm.pc.hardware.video,sci.electronics,de.sci.electronics
Subject: Howto VGA -> RGB CSync
Date: 12 Jun 1995 13:17:40 GMT
Organization: Vienna University of Technology, Austria
Lines: 75
Message-ID: <3rhepk$aps@news.tuwien.ac.at>
NNTP-Posting-Host: launzatte.cg.tuwien.ac.at
Keywords: VGA,RGB,CSync,Monitor,fixed frequency
X-Newsreader: TIN [version 1.2 PL2]
Xref: nntp.hut.fi comp.sys.ibm.pc.hardware.video:33912 sci.electronics:124026 de
.sci.electronics:746
Hi,

A while ago I was asking for a cable, to convert VGA to RGB with Composite Sync on Green. You will need this, if somebody throws away his old graphics workstation and you can get your hands on the 21" fixed frequency flat screen black trinitron monitor and want to hook it tou your Mach64 (don't know if a normal VGA can handle that)

While there is a circuit available on the net somewhere else, this one works perfectly for me and doesn't need any special parts. Please note, that I'm only posting the circuit and didn't 'invent' it, so if you have questions, please mail them to pr@radawana.cg.tuwien.ac.at directly, since this guy can't read newsgroups very often.

note: german guys, sorry for the english :)


**************************************************************
FAQ maintainers: I think, this thing is the answer to a FAQ :)
**************************************************************



100 uF
! !
Green ----! !---------------------------------
-! !+ !
!
680E !
BC548 !
HSync ------------- __---------/\/\------o--------- CSync on Green
\ /!
\ /
---------
!
!
1k !
VSync ----/\/\----------


[note by the poster: for those guys who know exactly as much about electronics
as me, BC548 is a transistor, the /\/\ 's are resistors
and the 100uF is a condensator. :)
]
This one works perfectly without _ANY_ logical circuits and thus needs _NO_ 5 Volts or anything else ... ;)

Note: This works only with syncs that are active low, but since this is the default for _any_ sync signal, you would not have to expect any problems with this circuit.

Note2: when you build this with SMD you can put the whole circuit in the VGA connector of the cable. ;)

so long, MadMax. >>>--- for questions contact this guy!

----------------------------------------------------------------------------
In real Life : Marcus Priesch Email : pr@radawana.cg.tuwien.ac.at
IRC : MadMax on #brezl, #gfrasta www : http://www.epanorama.net/counter.php?url=http://radawana.cg.tuwien.ac.at/~pr
and always remember: don't live for today ... tomorrow will never come !
(Dr. Shivago)
----------------------------------------------------------------------------

----------------------------------------------------------------------------
Peter Stieglecker __o Department of Computer Graphics
email: pst@cg.tuwien.ac.at _o( ) _ O -------------------------------
phone: +43 (1) 588 01 / 4547 ( )_)(_/_)o Technical University of Vienna
fax: +43 (1) 587 49 32 o \ ( o Karlsplatz 13/186
irc: PeterGunn ;) O ) _ _) A-1040 Vienna, Austria, Europe
www: o(_/ )( Oo -------------------------------
http://www.epanorama.net/counter.php?url=http://www.cg.tuwien.ac.at/~pst/ o (__)o (: remotesignature (c) 1994 :)
----------------------------------------------------------------------------

Метки:  

Без заголовка

Пятница, 17 Декабря 2010 г. 11:40 + в цитатник
Я настолько ленивая сука, что мне лень даже кнопки на компе нажимать, установил систему Speech recognition валяюсь на диване читаю книжку, периодически выдаю команды типа page down, меня родные забьют скоро, их от этого дёргать почему-то начинает.

Про тонировку.

Пятница, 10 Декабря 2010 г. 22:51 + в цитатник
Увел здесь
http://police.ge/index.php?m=8&newsid=1631

29.10.2010: შინაგან საქმეთა სამინისტროს განცხადება


ჩვენს მიერ შესწავლილ იქნა ევროპულ ქვეყნებში არსებული შეზღუდვები, ავტომანქანის მინების დამუქებასთან დაკავშირებით და ასევე გავითვალისწინეთ მძღოლთა ინტერესები.

საკმაოდ ბევრია იმ სატრანსპორტო საშუალებების რაოდენობა რომლებსაც მინები დამუქებული აქვთ ქარხნული წესით, ასევე უშუალოდ ავტომანქანების მწარმოებლების მიერ.

ევროპის ქვეყნებთან შედარებით დადგენილ იქნა შეზღუდვების საკმაოდ ლიბერალური სტანდარტები, კერძოდ: ავტომანქანის წინა საქარე მინის დამუქება დაუშვებელია, გვერდითი მინების დასაშვებია 40 პროცენტით. უკანა საქარე მინის დამუქებასთან დაკავშირებით შეზღუდვები დაწესებული არ არის, ავტოსატრანსპორტო საშუალების მფლობელს შუეძლია ის დაამუქოს საკუთარი სურვილისა და შეხედულების მიხედვით.

აღნიშნული წესების დარღვევა გამოიწვევს ავტოსატრანსპორტო საშუალებების მძღოლების დაჯარიმებას 50 ლარის ოდენობით.

ამასთანავე გაცნობებთ, რომ მიმდინარე წლის პირველი დეკემბრიდან ძალაში შედის ცვილებები ადმინისტრაციულ სამართალდარღვევათა კოდექსში, რომლის მიხედვითაც საქართველოს მთელს ტერიტორიაზე ავტოსატრანსპორტო საშუალებით გადაადგილებისას სავალდებულო ხდება უსაფრთხოების ღვედის გამოყენება. კერძოდ მძღოლის და მის გვერდით მჯდომი მოქალაქის მიერ უსაფრთხოების ღვედის გამოუყენებლობისას მძღოლი ორმოცი ლარით დაჯარიმდება.

А вот ещё с картинками.
http://police.ge/index.php?m=8&newsid=1682
Почему-то не получается встроить картинки на сайт, но кому интересно сами посмотрят)

Без заголовка

Пятница, 10 Декабря 2010 г. 21:52 + в цитатник
Сегодня наверное какой-то зверь в лесу сдох, потому что у меня появилось ремонтное настроение.
Первым делом мои лапы всё таки добрались до сдохшего LCD телевизора, который в близлежащих мастерских отказались ремонтировать, сказав, что у него наебнулась лампа подсветки и это мне сядет 300 баксов. А вот хуй, там по цепи питания лампы, обвеска ёбнулась, все запчасти мне 6 лар сели, зато теперь всё пучком и всё пашет, вдохновлённый расковырял второй телек на котором пульт не срабатывал, тоже потыкал паяльником, тоже всё работает, а ещё при помощи блока питания позаимствованного у сержанта, запустил таки свой комп, и переставил систему. Плюс слив на раковине на кухне починил. Довольный как слон. Всё таки иногда я нинзя! Пойду яичницой запитаюсь.

Без заголовка

Четверг, 09 Декабря 2010 г. 02:33 + в цитатник
Йебануцо, подняли в полтретьего ночи, чтоб соседскую собаку ветеринару отвезти.


Поиск сообщений в BlackIce
Страницы: 7 6 5 4 3 [2] 1 Календарь